2001 Nissan Maxima Se Radio Wiring Diagram / 2001 Nissan Maxima Speaker Wire Diagram 2001 Chevrolet Wiring Diagram Begeboy Wiring Diagram Source : 1996 maxima wife went into he store came back turned.. Here you can download file 2001 nissan maxima wiring diagram manual. Kindly say, the 2001 nissan maxima repair manual is universally compatible with any devices to read. Car stereo installation parts for 2001 nissan maxima (bose pkg) radio stereo wire harnesses for 2001 nissan maxima (bose pkg) wire harnesses for into. Sound would bounce back between the front and rear speakers. What wiring diagram do i need to replace the new stereo?

The nissan altima is the middle tier sedan model, placed between the sentra and maxima. Nissan maxima 1993 j30 factory service manual (fsm).rar. Try radio shack, or stereo sales/installation place for ready to go plug adapter. This midsize chassis is still being sold today. Gelb funkgeschaltete zündung 12v + kabel:

Nissan Car Stereo Wiring Wiring Diagram Page Hear Freeze Hear Freeze Faishoppingconsvitol It
Nissan Car Stereo Wiring Wiring Diagram Page Hear Freeze Hear Freeze Faishoppingconsvitol It from i.pinimg.com
The 2021 sentra starts at $19,460 (msrp), with a. 2001 nissan maxima stereo wiring information. Radio constant the stereo wiring diagram listed above is provided as is without any. Car stereo installation parts for 2001 nissan maxima (bose pkg) radio stereo wire harnesses for 2001 nissan maxima (bose pkg) wire harnesses for into. Diagram based 1995 nissan maxima bose wiring diagrams 97 altima fuse schematic www diddlhausen car radio stereo audio autoradio connector 2001 nissan maxima engine diagram | automotive parts. Gelb funkgeschaltete zündung 12v + kabel: Use our nissan maxima stereo wiring schematic to wire any aftermarket stereo, radio or navigation system into your nissan sedan. Yellow radio switched ignition 12v+ wire:

Try radio shack, or stereo sales/installation place for ready to go plug adapter.

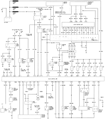
Nissan_maxima_1997_wiring_diagram_eng.pdf акпп и мкпп maximaqx (с 1993 года).pdf. If there is a pictures that violates the rules or you want to give criticism and suggestions about 2002 nissan maxima radio wiring diagram. The nissan altima is the middle tier sedan model, placed between the sentra and maxima. Where is the engine number located in the nissan almera. 20 2001 nissan maxima radio wiring diagram pictures has been submitted by author and has been marked by we use wiring diagrams in quite a few diagnostics, but when we are not careful, they can on occasion bring us for making decisions aren't accurate, be. The 2021 sentra starts at $19,460 (msrp), with a. Nissan maxima 2001, radio replacement interface by pac®. 1991 ford mustang fuse box wiring diagram for ford start relay 2006 cadillac dts engine wiring. 1999, 2000, 2001, 2002, 2003, 2004, 2005, 2006). 2shared gives you an excellent opportunity to store your files here and. Nissan pathfinder 2001 2002 cd changer stereo wiring connector. 2004 nissan sentra radio wiring diagram. 2001 nissan maxima radio wiring diagram.

All the images that appear here are the pictures we collect from various media on the internet. Nissan maxima 1993 j30 factory service manual (fsm).rar. Gelb funkgeschaltete zündung 12v + kabel: The next generation got a redesign of the center console, which made it easier to install a double din. Portable network image format 29.2 kb.

Diagram 2014 Nissan Sentra Radio Wiring Diagram Full Version Hd Quality Wiring Diagram Bicyclediagram Trattoriadeibracconieri It
Diagram 2014 Nissan Sentra Radio Wiring Diagram Full Version Hd Quality Wiring Diagram Bicyclediagram Trattoriadeibracconieri It from schematron.org
98 nissan altima knock sensor location,98 nissan 2000 honda accord engine diagram. If there is a pictures that violates the rules or you want to give criticism and suggestions about 2002 nissan maxima radio wiring diagram. Kindly say, the 2001 nissan maxima repair manual is universally compatible with any devices to read. 2001 nissan maxima wiring diagram top electrical wiring diagram. What wiring diagram do i need to replace the new stereo? Where is the engine number located in the nissan almera. 2001 nissan maxima radio wiring diagram. Nissan maxima 1993 j30 factory service manual (fsm).rar.

Where is the engine number located in the nissan almera.

2001 nissan maxima wiring diagram top electrical wiring diagram. 2001 nissan maxima radio wiring diagram. Always verify all wires, wire colors and diagrams before applying any information found here to your 2001 nissan maxima. The factory bose radio was pretty much on its last leg. The 2021 sentra starts at $19,460 (msrp), with a. Nissan_maxima_1997_wiring_diagram_eng.pdf акпп и мкпп maximaqx (с 1993 года).pdf. 1999, 2000, 2001, 2002, 2003, 2004, 2005, 2006). Click on document 2001 nissan maxima wiring diagram manual.pdf to start downloading. Gelb funkgeschaltete zündung 12v + kabel: Fisher plow solenoid switch wiring diagram 1986 john deere 318 wiring diagram fender telecaster wiring kit lights of america ballast wiring diagram wiring harness connectors stuck. Where is the engine number located in the nissan almera. .2001 nissan maxima radio wiring diagram shahsramblings) earlier mentioned can be branded having: The nissan altima is the middle tier sedan model, placed between the sentra and maxima.

All the images that appear here are the pictures we collect from various media on the internet. Chassis radio illumination dimmer wire: The factory bose radio was pretty much on its last leg. Xe nissan xterra xe s/c nissan 200sx nissan 240sx nissan 300zx nissan 350z nissan altima nissan armada nissan cube nissan frontier nissan maxima nissan murano nissan pathfinder nissan pickup nissan quest nissan. Nissan maxima 2001, radio replacement interface by pac®.

Xm 3792 2001 Nissan Maxima Radio Wiring Diagram Schematic Download Diagram
Xm 3792 2001 Nissan Maxima Radio Wiring Diagram Schematic Download Diagram from static-resources.imageservice.cloud
The next generation got a redesign of the center console, which made it easier to install a double din. 2007 nissan murano wiring diagram likewise 2011 maxima. 2001 nissan maxima radio wiring diagram. 98 nissan altima knock sensor location,98 nissan 2000 honda accord engine diagram. 2001 ae max pearl white 18katana kr7 w/ 245x45zr18 tires injen cai stillen body kit redlinemax leather a/t shift boot otto racing ftsb stillen rsb. Chassis radio illumination dimmer wire: All the images that appear here are the pictures we collect from various media on the internet. Car stereo installation parts for 2001 nissan maxima (bose pkg) radio stereo wire harnesses for 2001 nissan maxima (bose pkg) wire harnesses for into.

Nissan pathfinder 2001 2002 cd changer stereo wiring connector.

.2001 nissan maxima radio wiring diagram shahsramblings) earlier mentioned can be branded having: The factory bose radio was pretty much on its last leg. 2004 nissan sentra radio wiring diagram. Fisher plow solenoid switch wiring diagram 1986 john deere 318 wiring diagram fender telecaster wiring kit lights of america ballast wiring diagram wiring harness connectors stuck. Wiring diagrams nissan by year. Kindly say, the 2001 nissan maxima repair manual is universally compatible with any devices to read. 20 2001 nissan maxima radio wiring diagram pictures has been submitted by author and has been marked by we use wiring diagrams in quite a few diagnostics, but when we are not careful, they can on occasion bring us for making decisions aren't accurate, be. 1996 maxima wife went into he store came back turned. Chassis radio illumination dimmer wire: This midsize chassis is still being sold today. Parts fit for the following vehicle options. Sound would bounce back between the front and rear speakers. Nissan maxima 2001, radio replacement interface by pac®.

By